各製品の5図面データは以下からダウンロードいただけます。
ダウンロードに関する注意事項
本データの著作権は弊社に帰属します。
本データは弊社製品の仕様を保証するものではありません。
商品改良等のため、予告なしに本データの内容を変更する場合があります。
また弊社は、理由の如何に関わらず本データの利用、変更および削除などにより生じる、いかなる損害に対しても責任を負うものではありません。
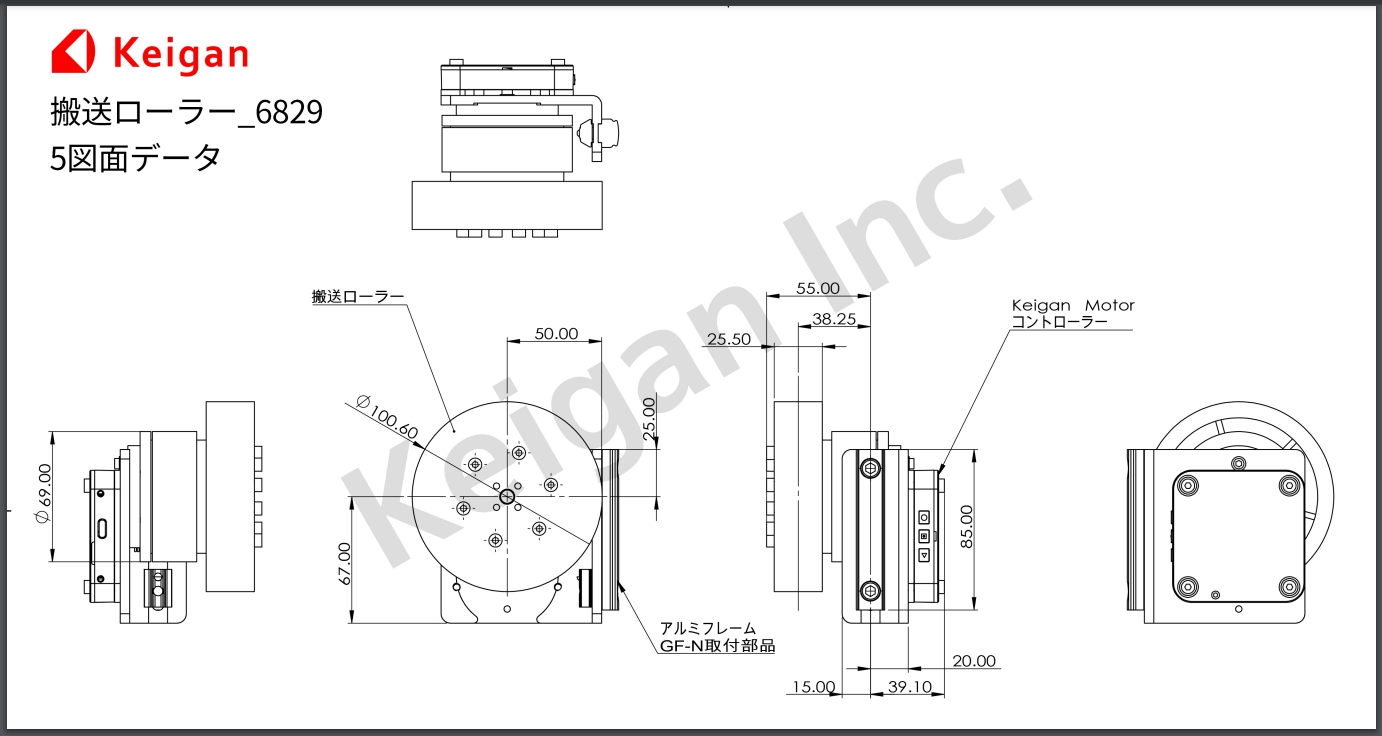
KeiganMotor搬送ローラー(搬送ローラー_6829)
KeiganAGV10LU
各製品の5図面データは以下からダウンロードいただけます。
本データの著作権は弊社に帰属します。
本データは弊社製品の仕様を保証するものではありません。
商品改良等のため、予告なしに本データの内容を変更する場合があります。
また弊社は、理由の如何に関わらず本データの利用、変更および削除などにより生じる、いかなる損害に対しても責任を負うものではありません。